CXEMATEKA.RU, © 2016 | Войти/Зарегистрироваться | In English
ZX Spectrum «Ленинград 48к» - сборка, наладка, увеличение памяти, доработки, схемы, видео

«То, что не удаётся запрограммировать на ассемблере, приходится паять» (http://bash.im/quote/398169)
Когда-то «ZX Spectrum» стал одним из моих первых персональных компьютеров. На нём я постигал азы программирования – от бейсика до ассемблера. И тут уместно будет вспомнить народную мудрость: «То, что не удаётся запрограммировать на ассемблере, приходится паять». Поэтому параллельно я подробно изучал схематехнику компьютера «ZX Spectrum». И так, постепенно, хобби переросло во вполне профессиональную деятельность в составе группы спектрумистов «FFC Computers». Я занимался тогда русификацией игр, дискетированием «ленточных» программ, ремонтом и доработкой Спектрумов (1995-1997 гг.)
За три года профессиональной деятельности в этой сфере через мои руки прошло огромное количество клонов Спектрума. Приносили в ремонт и другие компьютеры, но всё же Спектрумов было подавляющее большинство. И даже однажды мне довелось подключать отечественный контроллер дисковода к фирменному Спектруму 128k (тогда это была большая редкость).
С тех пор у меня сохранилось огромное количество документации к различным клонам Спектрума, сопутствующим устройствам, и к другой компьютерной технике распространенной в то время. Ну и кое-какое железо экзотическое сохранилось )
Начиная с этой публикации, постепенно буду делиться накопленной информацией. Думаю, многое будет полезно поклонникам Спектрума, да и не только )
«Как сделать компьютер? | Building ZX Spectrum 128k clone + Beta Disk Interface + AY-3-8910 (YM2149F)»
Как-то нашел у себя сразу несколько оригинальных плат популярнейшего клона Спектрума – «Ленинград 48k». И тогда я решил непременно собрать эту систему с полным апгрейдом до версии 128k с контроллером дисковода и, разумеется, музыкальным сопроцессором. Весь этот процесс я заснял на видео (смотрите выше) с подробными комментариями. Ниже привожу схемы, по которым работал и подробный план апгрейда.
Принципиальная схема компьютера «Ленинград 48k»
Вариант 1:
Источник: http://sblive.narod.ru/
Вариант 2:
Источник: http://zxbyte.ru/
Вариант 3:
Источник: http://micronc.ru/
Монтажная схема компьютера «Ленинград 48k»
Монтажная схема:
Источник: http://sblive.narod.ru/
Схема на просвет адаптированная для печати:
Источник: http://sblive.narod.ru/
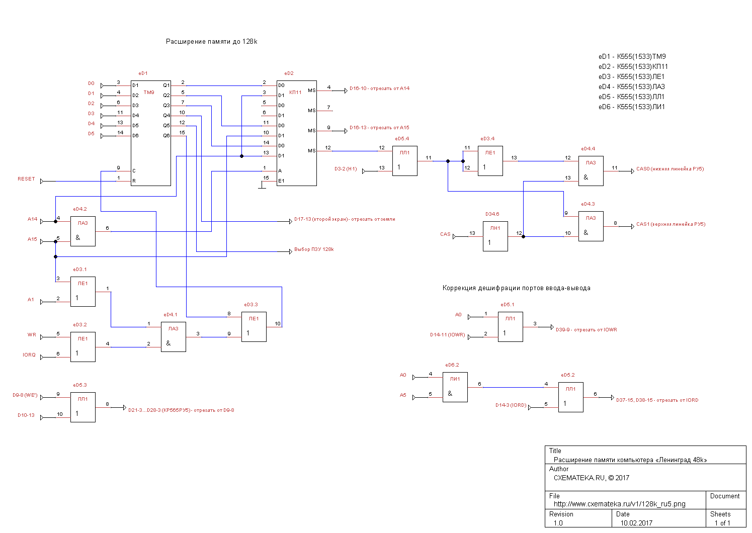
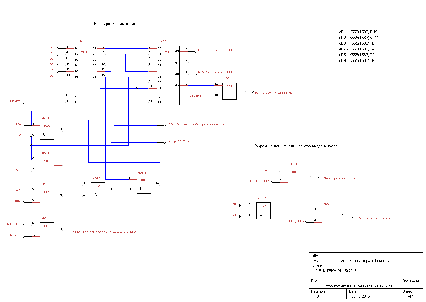
Увеличение памяти компьютера «Ленинград 48k» до 128k
Схема увеличения памяти и коррекции дешифрации портов ввода-вывода
для импортной памяти 41256 DRAM, регенерация в 256 циклов:
Схема увеличения памяти и коррекции дешифрации портов ввода-вывода
для отечественной памяти 565РУ7, регенерация в 512 циклов:
Схема увеличения памяти и коррекции дешифрации портов ввода-вывода
при использовании двух линеек памяти 565РУ5:
Для всех доработок используем 7 дополнительных микросхем:
eD1 - К555(1533)ТМ9 (устанавливается поверх D31)
eD2 - К555(1533)КП11 (устанавливается поверх D30)
eD3 - К555(1533)ЛЕ1 (устанавливается поверх D2)
eD4 - К555(1533)ЛА3 (устанавливается поверх D40)
eD5 - К555(1533)ЛЛ1 (устанавливается поверх D34)
eD6 - К555(1533)ЛИ1 (устанавливается поверх D8)
eD7 - К555(1533)ЛЛ1 (устанавливается поверх D13)
План соединений при апгрейде памяти (41256 DRAM, регенерация в 256 циклов):
01. eD1-1 -> D20-26 (RESET)
02. eD1-2 -> eD2-2
03. eD1-5 -> eD2-11
04. eD1-7 -> eD2-14
05. eD1-15 -> eD3-8
06. eD1-9 -> eD3-10
07. eD1-3 -> D32-12 (D0)
08. eD1-4 -> D32-15 (D1)
09. eD1-6 -> D32-16 (D2)
10. eD1-11 -> D32-19 (D3)
11. eD1-13 -> D32-2 (D4)
12. eD1-14 -> D32-5 (D5)
13. eD1-10 -> D17-13 (2-й экран) – отрезать от земли
14. eD1-12 -> eD7-2 (Выбор ПЗУ 128k)
15. eD7-1 -> D1-10 -> eD7-10 (Выбор TR-DOS инвертированный)
16. D1-11 -> через 10к к +5B
17. D1-11 -> D29-1 (отрезать от +5B)
18. eD7-3 -> D29-27 (отрезать от +5B)
19. eD2-3 -> eD2-13
20. eD2-13 -> eD4-4 -> D10-11 (A14)
21. eD2-10 -> eD4-5 -> eD3-3 -> D10-12 (A15)
22. eD2-15 -> D33-8 (GND)
23. eD2-1 -> eD4-6
24. eD2-4 -> D16-10 (отрезать от A14)
25. eD2-9 -> D16-13 (отрезать от A15)
26. eD2-12 -> eD5-12
27. eD3-1 -> eD4-1
28. eD3-2 -> D41-9 (A1)
29. eD3-4 -> eD4-2
30. eD3-5 -> D14-12 (WR)
31. eD3-6 -> D14-13 (OUTIORQ)
32. eD3-9 -> eD4-3
33. eD5-13 -> D3-2 (H1)
34. eD5-11 -> D21-1...D28-1 (41256 DRAM)
35. eD5-10 -> D10-13
36. eD5-9 -> D9-8 (WE)
37. eD5-8 -> D21-3...D28-3 (41256 DRAM) - отрезать от D9-8
Для соединений я использовал провод МГТФ 0.12. Термостойкая оплетка сохраняет провода в целости при плотном монтаже, а небольшое сечение провода позволяет легко перекидывать соединения со стороны пайки на сторону монтажа деталей через любые свободные отверстия на печатной плате, как показано на фото:

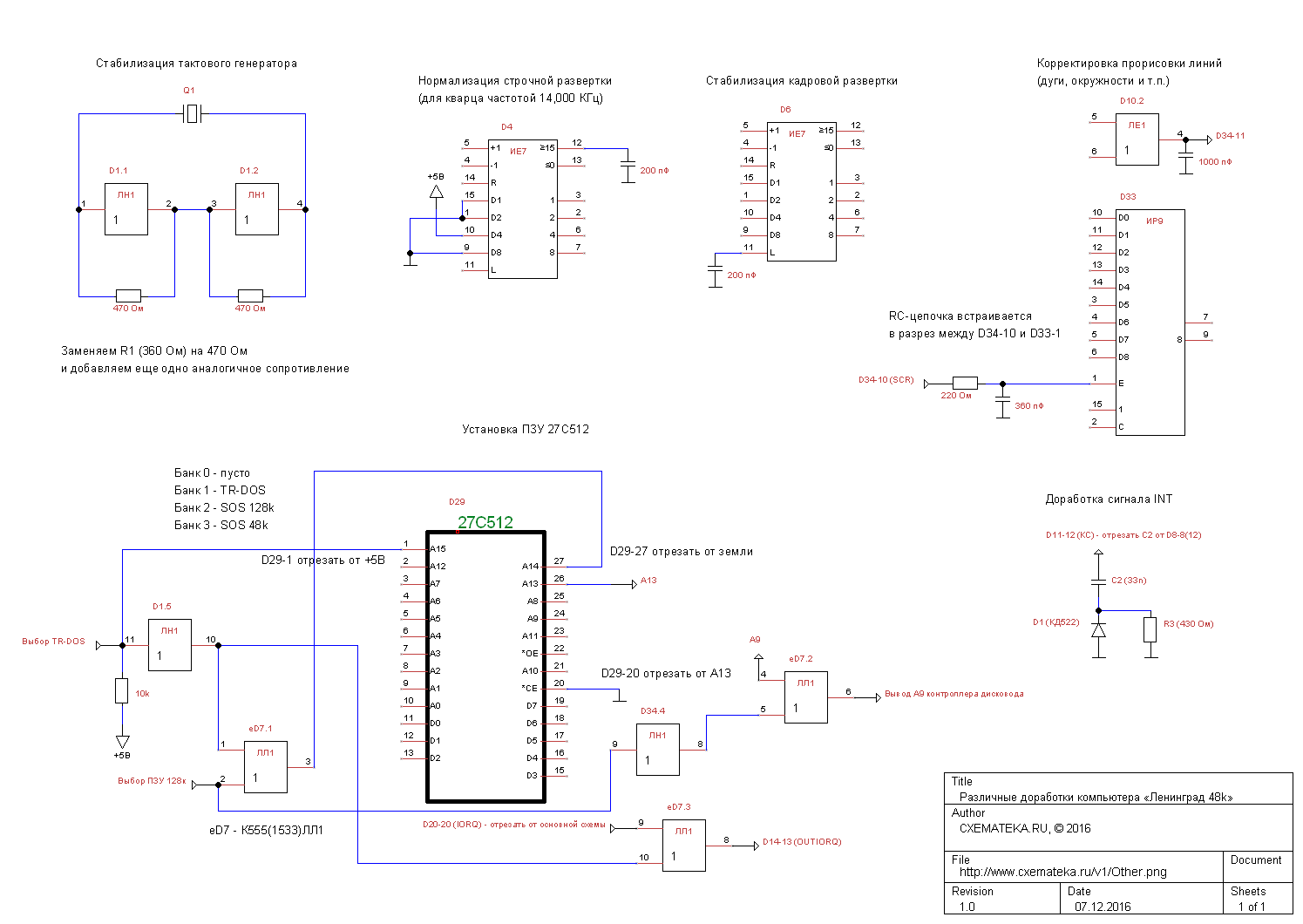
Другие доработки компьютера «Ленинград 48k»
Схема доработок:
1. Стабилизация тактового генератора
2. Нормализация строчной развертки (для кварца частотой 14000 КГц)
3. Стабилизация кадровой развертки
4. Корректировка прорисовки линий (дуги, окружности и т.п.)
5. Установка ПЗУ 27C512
6. Доработка сигнала INT
Схема подключения контроллера XT-клавиатуры Profi:
Схема «читалки» с магнитофона на К554СА3:
Источник: http://service4u.narod.ru/
Этапы сборки, немного фоток
Оригинальная плата «Ленинград 48k» 1988:
«Ленинград 48k» в сборе:
«Ленинград 48k» с контроллером XT-клавиатуры Profi:
«Ленинград 128k» в сборе:
«Ленинград 128k» с контроллером дисковода и музыкальным сопроцессором:
«Ленинград 128k» с контроллером дисковода, музыкальным сопроцессором и дисководами:
Кстати, недавно копаясь в ворохе старого железа и документации, нашел совсем уж экзотическую вещь: настоящий ценник, видимо где-то середины 90-х:
Да, да, контроллер тогда стоил 75 тысяч рублей )) И обратная сторона ценника порадовала не меньше – выяснилось, что он нарисован на куске перфокарты!!! ;)
Да... В этом есть определенный философский подтекст: ценник на контроллер носителя информации нового поколения нарисован на обрывке носителя информации старого поколения... )
Полезные файлы:
Имя файла: DIZZY_5r_48k.zip (109K)
MD5: e55b3dd84cba8895ebcce6b4efbe5607
Игра «DIZZY 5». Русифицированная версия игры,
адаптированная мной в 1996 году для спекртрума 48k.
В архиве игра в трех форматах: TAP, HOBETA, SCL.
Имя файла: wildseyr.zip (68K)
MD5: 62511c9b12f42794053805e140af3009
Игра «Сеймур на Диком Западе» (русифицированная мной в 1996 году).
В архиве игра в формате SCL.
Имя файла: test48k.bin (2,0K)
MD5: 4bf68803c17aa614b7fbfa939549eaec
Контрольная сумма прошивки: 85E7
Тестовая прошивка 48k (модифицированная версия -
убрал нудную процедуру заполнения экрана, ненужную проверку ПЗУ).
Имя файла: test128k.bin (2,0K)
MD5: 5247c2d7d5c77d270d98d6c0080493da
Контрольная сумма прошивки: E413
Тестовая прошивка 128k.
Имя файла: sos48k_only.bin (16K)
MD5: 4c42a2f075212361c3117015b107ff68
Контрольная сумма прошивки: 1F64
Стандартная операционная система
для «ZX Spectrum» 48k (1982 Sinclair Research Ltd).
Имя файла: 27512.bin (64K)
MD5: 77cec243abe304ba3603b63b88709cae
Контрольная сумма прошивки: 9135
Комбинированная прошивка для ПЗУ 27512:
Банк 0 - Пусто.
Банк 1 - TR-DOS Version 5.5H Copyright (C) 1993 by Rst7.
MD5: de4131214186667b9fb4022343d34444
Контрольная сумма: 3F81
Банк 2 - SOS 128k (Стандартная ОС для «ZX Spectrum» 128k).
MD5: 97da465c399ff70b907dfd8291e8f9d3
Контрольная сумма: 266E
Банк 3 - SOS 48k (Стандартная ОС для «ZX Spectrum» 48k).
MD5: 6e09e5d3c4aef166601669feaaadc01c
Контрольная сумма: 2C86
Скачать: http://www.cxemateka.ru/v1/27512.bin
Сначала надо заказать печатную плату в любой специализирующейся на этом деле конторе. Набор файлов gerber & excellon для изготовления платы: http://www.cxemateka.ru/v1/Leningrad48k.rar (Источник: http://sblive.narod.ru/).
Всё остальное можно найти в продаже. Если не найдутся отечественные детали, всегда можно найти зарубежные аналоги.
ТТЛ-логика, предпочтительнее 1533 (аналог 74ALS) или 555 (аналог 74LS):
1533ЛН1 (74ALS04) - 2 шт.
1533ТМ2 (74ALS74) - 3 шт.
1533ТМ9 (74ALS174) - 1 шт.
1533ИЕ7 (74ALS193) - 4 шт.
1533ЛЕ1 (74ALS02) - 1 шт.
1533ЛП5 (74ALS86) - 1 шт.
1533ЛА3 (74ALS00) - 1 шт.
1533ЛИ1 (74ALS08) - 1 шт.
1533ЛЛ1 (74ALS32) - 1 шт.
1533КП11 (74ALS257) - 8 шт.
1533КП13 (74ALS298) - 2 шт.
1533ИР22 (74ALS373) - 1 шт.
1533ИР9 (74ALS165) - 1 шт.
1533ИР16 (74ALS295) - 1 шт.
1533ЛА4 (74ALS10)- 1 шт.
КМОП:
561ИЕ10 (4520) – 1 шт.
Процессор:
Z80 – 1 шт.
Постоянная память:
EPROM 27C64 - 2 шт. или одна EPROM 27C128 (для версии 48k)
Оперативная память:
565РУ5 - 8 шт. или 565РУ7 - 8 шт. (первые выводы РУ7 нужно будет соединить между собой и заземлить /для версии 48k/)
Вместо 565РУ7 можно ставить зарубежные аналоги: 41256/41257 DRAM, MB81256/MB81257 DRAM.
Кроме того, в Спектрум можно ставить динамическую память большего объема и соотв. потребуется меньшее кол-во микросхем. Как это делается, расскажу в следующем материале.
Узел чтения с магнитофона рекомендуется собирать по приведенной выше схеме на К554СА3 (зарубежный аналог IL311ANM).
<<<< 21 20 19 18 17 16 15 14 13 12 11 10 >>>>
| Сообщений: 14 |
| Сообщений: 14 |
| Сообщений: 14 |
| Сообщений: 14 |
| Сообщений: 14 |
| Сообщений: 14 |
| Сообщений: 14 |
| Сообщений: 14 |
| Сообщений: 14 |
| Сообщений: 14 |
| Сообщений: 14 |
| Сообщений: 14 |
| Сообщений: 14 |
| Сообщений: 14 |


<<<< 21 20 19 18 17 16 15 14 13 12 11 10 >>>>
Огласите весь список, пожалуйста!
Просмотров страницы: 1,585,508
| Программирование, оформление: Константин Айги |
| ©2016 CXEMATEKA.RU |